Description
True Refrigeration TDD-3-S-HC Description
The True TDD-3-S-HC draft beer system can keep three half-barrel kegs chilled at a set temperature between 33 and 38 degrees Fahrenheit. Metered by a capillary tube system, environmentally friendly R290 hydrocarbon refrigerant produces cool temperatures. Fans consistently circulate air through the interior, and their electronically commutated motors help save energy. For convenient access, the condensing unit slides out behind the front grill.
Polyurethane foam insulates the walls and doors to contain cold temperatures, while magnetic gaskets seal the doors shut to prevent cold-air leaks. Each door handle is 12 inches long to provide a firm grip and is recessed to avoid damaging nearby equipment. For rust resistance, interior surfaces are made of stainless and galvanized steel. When loading and unloading kegs, a reinforced lip and door threshold protector help prevent dents and scratches.
The True TDD-3-S-HC draft beer system has two insulated columns to pour beer, and cold air runs directly into these columns, so beer stays cold and has little foam. The stainless steel top provides space for preparing garnishes and drinks, and the structure is strengthened since it has a bend- and warp-resistant frame rail. Made of stainless steel, the exterior front and sides facilitate cleaning.
Product Details
- 3 half-barrel keg capacity
- 2 stainless steel beer towers are insulated
- Direct cold-air connection prevents beer from foaming
- LED lighting brightens the interior
- Locks lower chances of theft
- 2-way tapper manifold connects CO2 line to beer lines
- 1/2-in. barbed T-drain
Durable Construction
- Stainless steel countertop creates a rust-resistant workstation
- Sturdy stainless steel exterior doors, front, and sides
- Matching aluminum back is sturdy
- Stainless steel floor with 1/2-in. reinforced lip for fast cleanup
- Thick galvanized steel interior walls
- Steel frame rail strengthens the cabinet structure
- Polyurethane insulation is foamed in place to prevent sagging
- Magnetic gaskets line the door frames and reduce cold-air leaks
- Doors have permanently attached, 12-in. handles
Refrigeration System
- Temperature holding range: 33-38 degrees F
- R290 hydrocarbon refrigerant is controlled by capillary tubes
- Electronically commutated fan motors are more energy efficient than traditional choices
- Condenser slides out for quick access
- Epoxy-coated evaporator is corrosion resistant
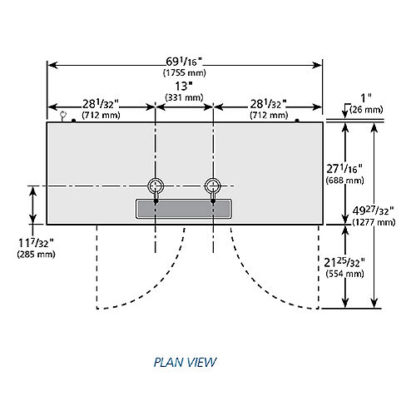
Dimensions & Utilities
- 691/16 in. W x 2811/16 in. D x 523/4 in. H
- 2.8 A, 1/4 HP
- 115 V/60 Hz/1 ph, 7-ft. cord with a NEMA 5-15P plug
Draft Beer Cooler, (3) 1/2 keg capacity, stainless steel counter top, (2) solid hinged doors with locks, LED interior light, (2) 3″ dia. insulated beer columns with single faucet draft arm, stainless steel exterior, galvanized interior with stainless steel floor, R290 Hydrocarbon refrigerant, 1/4 HP 115v/60/1-ph, 2.8 amps, NEMA 5-15P, cULus, UL EPH Classified, Made in USA, ENERGY STAR







Reviews
There are no reviews yet.